- 產品名稱:功率表
- 產品型號:Q96-WTCAO
- 產品銘牌:SAIC
- 生產廠商:上海自一船用儀表廠
- 銷售單位:上海自動化儀表銷售中心
- 所屬類別:生產廠家 > 上海自一船用儀表廠 > 產品目錄 > 產品展示 > 測量非電量 >
-
測量范圍同功率表
特性:
精度:1.5級 環境溫度:-25℃ to +55℃ 外殼防護:IP42/52 耐振動:0.7g 前面板尺寸:96x96mm 儀表偏轉角:90° 240° 儀表標度尺:白色底黑色刻度如需設定值可劃紅線。 儀表安裝:用四個對角支架固定 主要參數和技術指標 指示精度:1.5級 功耗:≤3W 額定電壓:100V、380V、400V、440V 額定電流:1A、5A 變送輸出負載能力:250歐(可達500歐) 變送輸出精度:1% | ![]() |
產品分類
產品型號 | 展開角 | 外型尺寸(A×B×C) | 開孔尺寸(mm) | 重量(kg) |
Q96-WTCAO | 90° | 96×96×140 | 92+0.5×92+0.5 | 1.25 |
Q96-WTCZAO | 240° | 96×96×140 | 92+0.5×92+0.5 | 1.25 |
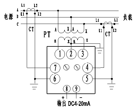
接線示意圖

接線圖:
上一篇:Q96-WTCZAO功率表
下一篇:無
相關產品:
