- 產品名稱:高阻表
- 產品型號:Q72-MΩ
- 產品銘牌:SAIC
- 生產廠商:上海自一船用儀表廠
- 銷售單位:上海自動化儀表銷售中心
- 所屬類別:生產廠家 > 上海自一船用儀表廠 > 產品目錄 > 產品展示 > 測量非電量 >
-
測量絕緣電阻
特性:
精度:1.5級 | ![]() |
環境溫度范圍:-25℃- +55℃ | |
外殼防護:按IP42/52 | |
耐振動:0.7g | |
前面板尺寸:96x96mm | |
儀表標度尺:白色底黑色刻度如需設定值可劃紅線。 | |
儀表安裝:用四個對角支架固定 | |
產品分類
產品型號 | 展開角 | 外型尺寸(A×B×C) | 開孔尺寸(mm) | 重量(kg) | 備注 |
Q96-ZMΩ | 240° | 96×96×140 | 92+0.5×92+0.5 | 0.85 | |
Q72-ZMΩ | 72×72×80 | 68+0.5×68+0.5 | 1.7 | 配附加裝置 | |
Q96-MΩ | 90° | 96×96×140 | 92+0.5×92+0.5 | 0.75 | |
Q72-MΩ | 72×72×80 | 68+0.5×68+0.5 | 1.6 | 配附加裝置 |
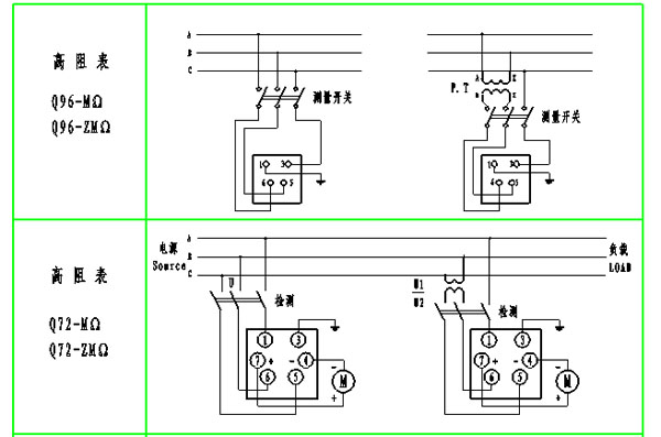
測量范圍:
高阻表測量范圍額定電壓0-5MΩ100V、127V ﹑220V、380V、400V、440V380V(經380/100V或380/127V.P.T接入) 接線圖: |
上一篇:Q96-ZMΩ高阻表
下一篇:Q96-MΩ高阻表
相關產品:
