- 產品名稱:耐震壓力表
- 產品型號:YTN系列
- 產品銘牌:連儀
- 生產廠商:上海連儀儀器儀表廠
- 銷售單位:連儀
- 所屬類別:生產廠家 > 上海連儀儀器儀表廠 > 產品目錄 > 產品展示 > 不銹鋼耐震壓力表 >
-
YTN系列耐震壓力表
耐震壓力表主要用于冶金、電力、石油、化工、輕工、機械等工業部門的壓力檢測。壓力表依靠內部沖灌阻尼油和配套緩沖裝置等措施。具有良好的耐震性能。耐震壓力表適用于被測介質的壓力有強烈脈沖變化或壓力沖擊和在生產工藝中經常突然卸荷的場合,以及環境震動較大的場所。儀表能測氣體、液體脈動壓力的平均值,以克服介質強烈脈沖及環境震動對儀表帶來的損害,確保讀數的準確性。
YTN系列耐震壓力表
耐震壓力表主要用于冶金、電力、石油、化工、輕工、機械等工業部門的壓力檢測。壓力表依靠內部沖灌阻尼油和配套緩沖裝置等措施。具有良好的耐震性能。耐震壓力表適用于被測介質的壓力有強烈脈沖變化或壓力沖擊和在生產工藝中經常突然卸荷的場合,以及環境震動較大的場所。儀表能測氣體、液體脈動壓力的平均值,以克服介質強烈脈沖及環境震動對儀表帶來的損害,確保讀數的準確性。
不銹鋼耐震壓力表的外殼用不銹鋼材料制成(簡稱半鋼),可在有腐蝕性、振動較大的惡劣環境中使用。主要技術指標:
耐震壓力表型號、結構形式、標度范圍、準確度等級
型號 | 結構形式 | 標度范圍(MPa) | 準確度等級 |
YTN-60 | 徑向 | 0~0.1;0~0.16;0~0.25;0~0.4; 0~0.6;0~1;0~1.6; 0~2.5; 0~4;0~6;0~10;0~16; 0~25;0~40; | 2.5 |
YTN-60ZT | 軸向帶邊 | ||
YTN-60B | 徑向 | ||
YTN-63B | 軸向帶邊 | ||
YTN-100 | 徑向 | 0~0.1;0~0.16;0~0.25;0~0.4; 0~0.6;0~1;0~1.6; 0~2.5; 0~4;0~6;0~10;0~16; 0~25;0~40;0~60; | 1.6 |
YTN-100ZT | 軸向帶邊 | ||
YTN-100B | 徑向 | ||
YTN-103B | 軸向帶邊 | ||
YTN-150 | 徑向 | 0~0.1;0~0.16;0~0.25;0~0.4; 0~0.6;0~1;0~1.6; 0~2.5; 0~4;0~6;0~10;0~16; 0~25;0~40;0~100 | |
YTN-150ZT | 軸向帶邊 | ||
YTN-150B | 徑向 | ||
YTN-153B | 軸向帶邊 |
耐震壓力表使用環境溫度:5~55℃(表殼內充甘油)
-25~55℃(表殼內充甘油)
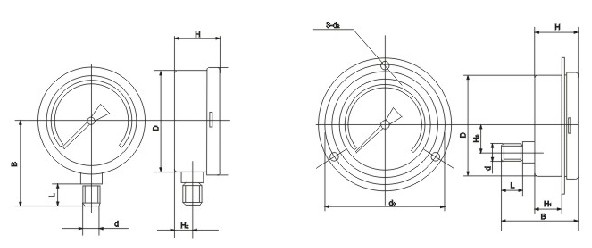
耐震壓力表外形尺寸:
型號 | D | H | H2 | B | d2 | d0 | d | L | H1 |
YTN-60 | Φ60 | 32 | 13 | 55 | a | a | M14x1.5 | 14 | a |
YTN-60ZT | 0 | 65 | 4.5 | 76 | 22 | ||||
YTN-60B | 13 | 55 | a | a | a | ||||
YTN-63B | 0 | 65 | 4.5 | 76 | 22 | ||||
YTN-100 | Φ100 | 44 | 18 | 90 | a | a | M20x1.5 | 20 | a |
YTN-100ZT | 30 | 90 | 5.5 | 118 | 27 | ||||
YTN-100B | 18 | 90 | a | a | a | ||||
YTN-103B | 30 | 90 | 5.5 | 118 | 27 | ||||
YTN-150 | Φ150 | 44 | 18 | 120 | a | a | M20x1.5 | 20 | a |
YTN-150ZT | 55 | 95 | 5.5 | 165 | 27 | ||||
YTN-150B | 18 | 120 | a | a | a | ||||
YTN-153B | 55 | 95 | 5.5 | 165 | 27 |
上一篇:無
下一篇:YPF系列膜片壓力表
相關產品:
