- 產品名稱:側裝式磁翻板液位計
- 產品型號:UHZ系列
- 產品銘牌:連儀
- 生產廠商:上海連儀儀器儀表廠
- 銷售單位:連儀
- 所屬類別:生產廠家 > 上海連儀儀器儀表廠 > 產品目錄 > 產品展示 > 磁翻板液位計 >
-
UHZ系列側裝式磁翻板液位計
一、概述
1、基本型
根據浮力原理,浮子在測量管內隨液位的升降而上、下移動,浮子內的長久磁鋼通過耦合作用,驅動紅、白色翻柱翻轉180°,液位上升時翻柱由白色轉為紅色,下降時由紅色轉為白色,從而實現液位指示。
2、電遠傳
在浮子液位計上安裝變送器,通過浮子上下移動,經磁耦合作用使導桿內測量元件依次動作,獲得電阻信號變化,轉換成0~10mA或4~20mA的標準信號輸出,與顯示儀表或計算機連接,達到遠傳目的。
3、上下限開關輸出
在液位計立管上由用戶設定上、下限位置安裝控制器,控制器內帶有自保持作用的舌簧開關,利用磁性浮子隨液位移動使簧片開關動作時,實現報警或限位控制。
UHZ系列側裝式磁翻板液位計
一、概述
1、基本型
根據浮力原理,浮子在測量管內隨液位的升降而上、下移動,浮子內的長久磁鋼通過耦合作用,驅動紅、白色翻柱翻轉180°,液位上升時翻柱由白色轉為紅色,下降時由紅色轉為白色,從而實現液位指示。
2、電遠傳
在浮子液位計上安裝變送器,通過浮子上下移動,經磁耦合作用使導桿內測量元件依次動作,獲得電阻信號變化,轉換成0~10mA或4~20mA的標準信號輸出,與顯示儀表或計算機連接,達到遠傳目的。
3、上下限開關輸出
在液位計立管上由用戶設定上、下限位置安裝控制器,控制器內帶有自保持作用的舌簧開關,利用磁性浮子隨液位移動使簧片開關動作時,實現報警或限位控制。
根據浮力原理,浮子在測量管內隨液位的升降而上、下移動,浮子內的長久磁鋼通過耦合作用,驅動紅、白色翻柱翻轉180°,液位上升時翻柱由白色轉為紅色,下降時由紅色轉為白色,從而實現液位指示。
2、電遠傳
在浮子液位計上安裝變送器,通過浮子上下移動,經磁耦合作用使導桿內測量元件依次動作,獲得電阻信號變化,轉換成0~10mA或4~20mA的標準信號輸出,與顯示儀表或計算機連接,達到遠傳目的。
3、上下限開關輸出
在液位計立管上由用戶設定上、下限位置安裝控制器,控制器內帶有自保持作用的舌簧開關,利用磁性浮子隨液位移動使簧片開關動作時,實現報警或限位控制。

二、系統構成及接線
1、上下限開關輸出
由具有自保持作用的舌簧開關和轉換器組成,舌簧開關和轉換器分別安裝于現場和控制室,由轉換器提供三對觸點開關。
2、電遠傳
由測量單元和變送單元兩部分組成。
3、本安防爆
a、帶本安防爆,上、下限開關輸出型
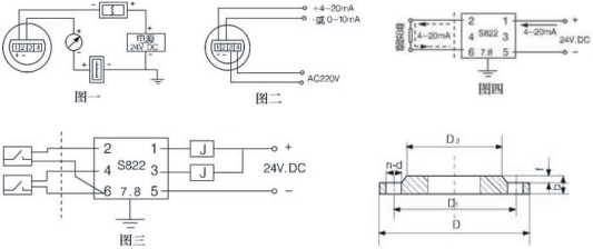
防爆開關由舌簧開關和帶繼電器觸點的安全柵組成,可向用戶直接提供一對常開或常閉觸點。如用戶需更多觸點可特殊設計訂貨。(圖三)
b、帶本安防爆遠傳型
適合使用于∏類電氣設備(工廠用)、C級氣體,表面溫度組別T4(135℃)。(圖四)
c、使用注意事項
①變送器外殼設有外接地,用戶使用時可靠接地。
②安全柵的使用應遵守有關使用說明內容。
③變送器與安全柵本安端的連接電纜為二芯屏蔽電纜,芯線截面積>0.5m,電纜允許分布電容為0.8μF。
1、上下限開關輸出
由具有自保持作用的舌簧開關和轉換器組成,舌簧開關和轉換器分別安裝于現場和控制室,由轉換器提供三對觸點開關。
2、電遠傳
由測量單元和變送單元兩部分組成。
3、本安防爆
a、帶本安防爆,上、下限開關輸出型
防爆開關由舌簧開關和帶繼電器觸點的安全柵組成,可向用戶直接提供一對常開或常閉觸點。如用戶需更多觸點可特殊設計訂貨。(圖三)
b、帶本安防爆遠傳型
適合使用于∏類電氣設備(工廠用)、C級氣體,表面溫度組別T4(135℃)。(圖四)
c、使用注意事項
①變送器外殼設有外接地,用戶使用時可靠接地。
②安全柵的使用應遵守有關使用說明內容。
③變送器與安全柵本安端的連接電纜為二芯屏蔽電纜,芯線截面積>0.5m,電纜允許分布電容為0.8μF。

三、用戶自備法蘭
安裝形式 | 主體材質 | 公稱直徑 | 公稱壓力 | D | D1 | D2 | n | d | f | b |
側裝 | 不銹鋼 | 20 | 4.0 | 105 | 75 | 56 | 4 | 14 | 2 | 16 |
ABS | 20 | 10 | 105 | 75 | 56 | 4 | 14 | 2 | 16 | |
頂裝 | 不銹鋼 | 200 | 2.5 | 360 | 310 | 274 | 12 | 26 | 3 | 32 |
ABS | 200 | 0.6 | 320 | 280 | 274 | 8 | 8 | 3 | 32 |
四、主要技術指標
安裝形式內容 | 側裝式 | 頂裝式 | |
安裝間距 (測量范圍) | 不銹鋼 | 500~5000(mm) | 500-2500(mm) |
ABS、PP-R | 500~4000(mm) | ||
工作壓力 | 0.6,1.6,2.5,4.0MPa | 0.6,1.6,2.5MPa | |
介質密度 | >0。6g/c![]() | >0.76g/c![]() | |
法蘭連接 | 不銹鋼 | 法蘭20-40(DN20 PN1.0-4.0) (GB9119-88) | 法蘭200-25(DN200 PN1.6) (GB9119-88) |
ABS | 法蘭20-10(DN20 PN1.0) (GB9119-88) | 法蘭200-6(DN200 PN0.6) (GB9119-88) | |
主體材料 | ICr18Ni9Ti、ABS、PP-R(工作壓力0.6MPa) | ||
介質溫度 | -40~100℃(ABS、PP-R:-40~80℃) | ||
環境溫度 | -40~+70℃ | ||
示值誤差 | ±100mm | ||
介質粘度 | ≤1st(10-4![]() | ||
上、下限 開關輸出 | 1、控制靈敏度:10mm 2、輸出接點容量:AC220V 2A 3、接點壽命:5×104次 4、防爆特征:iaIICT4本質安全型 | ||
電遠傳、 連續顯示 | 1、精度:±1.5% 2、輸出負載:750Ω 3、輸出信號:0~10mA輸出,220V AC電源 4~20mA輸出,24V DC二線制 4、防爆特征:iaIICT4本質安全型 |
五、型號說明
UHZ翻柱式磁浮子液位計 | ||||||||
1 側裝式 2 頂裝式 | 安裝方式 | |||||||
1 1Cr18Ni9Ti 2 ABS 3 PP-R | 主體材質 | |||||||
1 0.6MPa 2 1.6MPa 3 2.5MPa 4 4.0Mpa | 公稱壓力 | |||||||
1 基本型 2 帶上下限開關輸出 3 帶電遠傳(0~10mA輸出,220V,AC) 4 帶電遠傳(4~20mA輸出,24V,DC) 5 帶本安防爆型(4~20mA,24V,DC) 6 帶本安防爆型上下限開關輸出 | 類型 | |||||||
L 安裝間距(測量范圍) | ||||||||
L1 安裝深度(頂裝式(0~4000mm任選) | ||||||||
介質密度ρ(g/c![]() | ||||||||
2 | 2 | 1 | 1 | =2500mm | L1=3000mm | ρ=0.8g/cm3 |
相關產品:
